Motosiklet LED Stop Tamiri Yapilir 0535 666 55 88
Hemen Arayın Erdem Usta Motosiklet LED Stop Tamiri Yapilir. Motosikletinizin LED stop lambası arızalandığında, güvenliğiniz tehlikeye girebilir. LED stop lambaları, motosikletin trafikte görünürlüğünü artırarak güvenli bir sürüş sağlar. Motosiklet LED…
RKS LED Stop Tamiri 0535 666 55 88
Hemen Arayın Erdem Usta RKS LED Stop Tamiri 0535 666 55 88. Motosikletlerin arka stop lambaları, güvenli sürüş için kritik bir öneme sahiptir. RKS motosiklet LED stop lambası arızalandığında, değiştirmek…
Motora alarm takılır mı?
Motora alarm takılır mı?; Yollardaki sadık arkadaşlarımız, motosikletler, her geçen gün daha fazla kişinin tercihi haline geliyor. Motosiklet tutkunları için güvenlik artık büyük bir endişe kaynağı olmasına rağmen, şans eseri…
Motosiklet LED Far Montajı Nedir ?
Motosiklet LED Far Montajı Nedir? Motosikletler, özgürlük ve heyecan dolu sürüş deneyimlerinin vazgeçilmez araçlarıdır. Ancak özellikle gece veya düşük görüş koşullarında güvenli sürüş için güçlü ve doğru bir aydınlatma sistemi…
Motosiklet Konjektörü Nedir? Görevleri, Arızaları ve Belirtileri
Motosiklet Konjektörü Nedir? Motosikletler, hız ve özgürlüğü bir arada sunan araçlardır. Ancak bu keyifli sürüş deneyiminin sorunsuz devam edebilmesi için mekanik ve elektrik sistemlerinin kusursuz şekilde çalışması gerekir. Özellikle motosikletin…
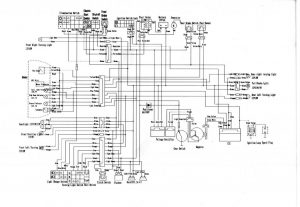
Motosiklet Elektrik Tesisatı Renk Kodları Nedir?
Motosiklet Elektrik Tesisatı Renk Kodları Nedir? Motosikletler, güçlü performansları ve özgür sürüş deneyimleriyle dikkat çeker. Ancak bu keyifli sürüşün güvenli bir şekilde devam edebilmesi için elektrik sisteminin doğru çalışması büyük…





